玉林市中西医结合骨科医院关于院内不明救护车的告示
发布日期: 2023-10-20浏览次数:6272玉林市中西医结合骨科医院
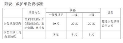
各位患者及家属:近日来,有不明来源的救护车滞留我院附近,同时出现不明身份的人员私自向我院患者及家属发放宣传卡片,冒充我院急救车出诊并收取患者高额转运费用。在此,我院郑重声明:目前我院一共有8辆救护车,车身均贴有“玉林市骨科医院”或“玉林市中西医结合骨科医院”的标签,车牌号:桂KGK533、桂K007N3、桂KSV656、桂K06W55、桂KGK551、桂KLA210、桂K9120A、桂K83R19,除此之外,其它车牌号的救护车均非我院所属,此外,我院救护车的费用严格按照物价规定收取(详见下表),不存在出诊前即可明确具体金额的情况,实际收费以医院发票金额为准。请各位患者及家属谨防上当受骗,如执意接受非本院所属的救护车进行接诊转运,则所产生的一切后果均由本人及其家属承担!未尽事宜请咨询我院急诊科(电话:0775-2837100 2200000)。 玉林市中西医结合骨科医院
2023年10月19日
